收藏
加入对比
MANUAL VALVE 手动阀 (Mega Lock Type) 可定制 耐化学性
生产状态:现货
发货日:20 天
起订量:1
订货编码:
PT200004080030
配送至
数量
-+
库存:1000
合计
--质量认证明权威机构认证,赋能高效运行
快速发货20 天内发货保证
技术支持专业工程师一对一服务
售后服务专属服务, 解决您的后顾之忧
产品概述技术参数行业知识
手机下单
手机下单
产品名称:MANUAL VALVE 手动阀 (Mega Lock Type) |
实际应用终端: ●壳牌(Shell):应用于管道系统、储罐、井口设备,作用:手动控制油气流量,确保管道和储罐的安全操作,适用于需要高可靠性和耐用性的场合。 ●威立雅(Veolia):应用于水泵站,作用:手动调节水流,确保水处理过程的稳定性和效率。 ●丰田(Toyota):应用于涂装线,手动控制液体和气体流量,确保生产效率和产品质量。 |
工艺用途: 使用于半导体和LCD, 化学设备上的药液 (包括纯水) 流动的(ON,OFF)Manual Valve。 |
产品特性: ●耐化学性优秀。 ●拥有适量库存,并可制作特殊规格产品。 ●Connection是INNODOS产品 (管式扩管型)。 |
产品规格: ●周围温度:0~60℃。 ●使用流体:Chemicals, D.I-Water. ●流体压力:0~5kgf/立方厘米 ●生产品种:1/4inch ~ 1inch。 |
产品展示图:
|
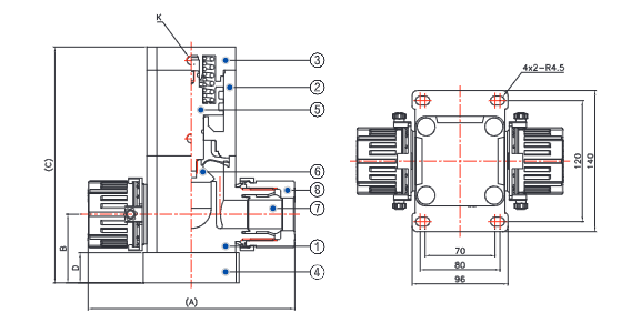
产品大样图:
|











