收藏
加入对比
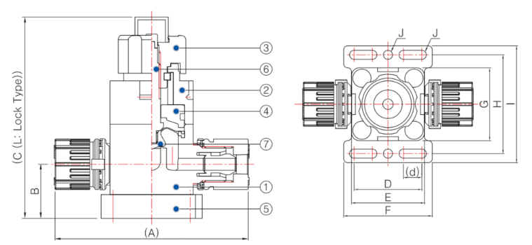
高压空气手动控制的阀门 (Mega Lock Type)
生产状态:现货
发货日:10 天
起订量:1
订货编码:
PT200004060005
配送至
数量
-+
库存:1000
合计
--质量认证明权威机构认证,赋能高效运行
快速发货10 天内发货保证
技术支持专业工程师一对一服务
售后服务专属服务, 解决您的后顾之忧
产品概述技术参数行业知识
手机下单
手机下单
产品名称:高压空气手动控制的阀门 (Mega Lock Type)

产品规格:
周围温度:0~60°C
使用流体:Chemicals. D.l-Water
流体压力:0~7kgf/cm²
生产品种:1/4inch ~ 1inch
产品卖点:
耐化学性优秀
拥有适量库存,并可制作特殊规格产品
Connection是INNODIS产品 (管式扩管型)
产品应用:使用于半导体和LCD, 化学设备上的药液 (包括纯水) 流动的(ON,OFF) High Pressure Manual Valve。
产品详情:










